ZN1209 Бендикс ZEN

  • Номер: ZN1209
  • Категорія: Бендикс
  • Бренд: ZEN
  • Оригінальний виробник: VALEO
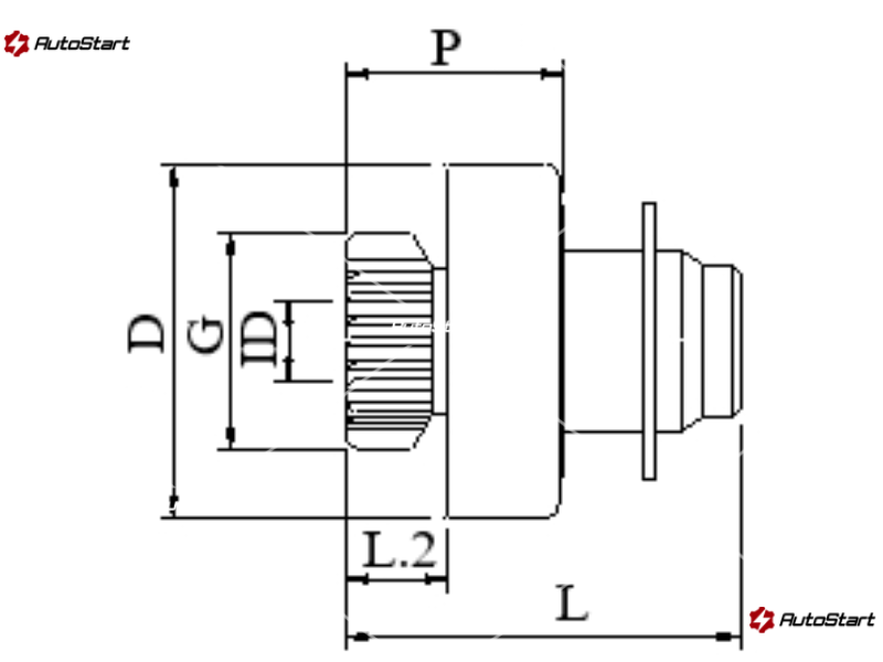
ХАРАКТЕРИСТИКИ:
Відстань під вилку P[мм] P 31.65
Початок шліцевої частини RH[мм] RH 0
Обертання CW
Загальна довжина L[мм] L 51.50
Діаметр шестерні G[мм] G 27.94
Діаметр втулки ID[мм] ID 12.00
Діаметр обойми бендикса D[мм] D 46.50
Кількість шліців S[шт.] S 10
Кількість зубів T[шт.] T 10
Шліц довгий чи короткий довгий
Відстань від торця обойми L.2[мм] L.2 14.50
Внутрішній діаметр по вершинам шліців IS[мм] IS 13.35
Внутрішній діаметр по впадинам шліців ES[мм] ES 16.10
Діаметр шестерні по впадинам зубів IG[мм] IG 19.45
Розмір 2T[мм] 2T 10.45

Інші аналоги: MONEA IA2544, KE 71467, KRAUF SDV2733, SDV9733, SDV9733HS, DELTA AUTOTECHNIK 05-024, BYPART UMD5579, DWA 32802, FORM METAL 72640, 72643, TYPER 12VAL1209, PARTS SHV1209, MOTORHERZ SDV2733RB, OA 36-46-10, SUN 15252, WAI 3-5148-W, IAT 77362459, NERINGS N137733, LAUBER/CQ CQ2010370, HOLGER CRISTIANSEN C137733, POWERMAX 1014536, 81014536, PATRON P1011209, VCS0564, MEAT&DORIA 47012, HOFFER 47012, 6647012, CASCO CDR15107AS, CDR15107GS, ASAM 99957, REAL 22479701BN, 22479701OE, ELECTROLOG DRV0010, LYNXAUTO ES5047, PROFIT 7137-0733, TT61431, DELCORIBO STD1658, 11-1209, MOTORITE 070.250.677, ALVADI AL81033090, WAGNER W472-36

Застосування:

General Motors/Chevrolet Astra 1.8 / 2.0 / 2.0 16V
General Motors/Chevrolet Calibra 2.0 / 2.0i / 2.0i 16V
General Motors/Chevrolet Corsa
General Motors/Chevrolet Suprema 2.0 / 2.2 / 3.0
General Motors/Chevrolet Vectra 2.0 GSi MPFi / 2.0 GLS MPFi
Renault Clio 1.2, 1.4, 1.6, 1.8
Renault  Laguna 1.8, 2.0 
Renault Megane 2.0
Renault R19 1.8, R21
Renault  Scenic 2.0
Volvo 440, 460, 480, S40, V40

До стартерів ZEN 32005, 32006

Аналоги
ПОКАЗАТИ ВСЕ ПРИХОВАТИ
Застосування

ПОКАЗАТИ ВСЕ ПРИХОВАТИ